|
Industrie
- pH-Elektroden
(bis 250 bar / mit Standardeinschraubgewinde oder als
Tauchsonde)
|
| Hier
finden Sie pH-Elektroden für den industriellen
Einsatzbereich. Ob als Standard-pH-Elektroden für allgemeine
Anwendungen, als Prozess-pH-Elektroden in der Wasser- und
Abwasserbehandlung oder als spezielle Elektroden in der
Kesselwasserspeisung in Kraftwerken. Alle pH-Elektroden
besitzen ei- nen Standard-BNC-Stecker zum direkten Anschluss
an handelsübliche pH-Wert-Regler oder Anzeige- geräte
(ebenfalls in unserem Lieferprogramm).
|
|
pH-Elektroden
vom Typ HI 1001
Diese pH-Elektroden werden z.B. in
Gerbereien, in der Papier- und Druckindustrie oder
auch zur Messung von
Meerwasser eingesetzt.
|
|

|

|
|
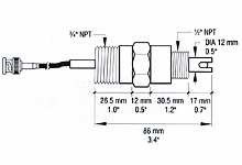
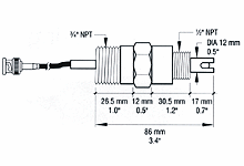
Doppelte Ableitung, PTFE,
½“ Verschraubung, bis max. 6 bar, Stecker BNC, Kabel 3
m, Tempera- turbereich -5 ... 80 °C, für z.B. pH-Regler HI
502 und HI 8710
|
|
pH-Elektroden
vom Typ HI 1003-5
Diese pH-Elektroden werden
in galvanischen Bädern und Abwasseranlagen eingesetzt.
Sie verfügen über einen Erdungskontakt.
|
|
|

|
|
Wie
pH-Elektroden HI 1001, aber mit 5 m langem Kabel und zusätzlich
mit einem Erdungskontakt (dies ist wichtig bei Verwendung in
Prozessen mit möglichem Stromfluss),
passend
z.B.zu pH-Regler bzw. pH-Anzeigegerät HI 502
und HI 8710
|
|
pH-Elektroden
vom Typ HI 1211T
Diese pH-Elektroden
stellen die Allzweckwaffe in der industriellen
pH-Wert-Messung
dar. Sie sind nahezu überall einsetzbar.
|
|
|
|
Kunststoff-Elektrode,
doppelte Ableitung, PTFE, einsetzbar bis max. 3 bar, Stecker BNC,
Kabel 5 m, Temp. -5 ... 80 °C, PG 13.5 Gewinde, passend
z.B. zu HI 502
und HI 8710
|
|
pH-Elektroden
vom Typ HI 1110T
Diese pH-Elektroden
werden wesentlich im Laborbereich eingesetzt. So z.B. zur
festen Installation an Versuchsständen oder Bädern.
|
|
|
|
Glas-Elektrode,
einfache Ableitung, Keramikdiaphragma, bis max. 0,6 bar, Stecker BNC, Kabel 5 m,
Temperaturbereich 0 ... 60 °C, PG 13.5 Gewinde, für z.B. zu pH-Regler HI 502
und HI 8710
|
|
pH-Elektroden
vom Typ HI 1090T
Diese pH-Elektroden
werden meist zur Messung in Kesselspeisewasser und in der
Abwasser-Behandlung in verschiedenen Industriebetrieben eingesetzt.
|
|
|
| Glas-Elektrode,
doppelte Ableitung, Glas, bis max. 3 bar, Stecker BNC, Kabel 5 m,
Temperaturbe- reich –5 ... 80 °C, PG 13.5 Gewinde, passend
z.B. zu pH-Regler bzw. Anzeigegerät HI 502
|
Lieferumfang
1 x pH-Elektrode (eines der fünf Modelle) inklusive Kabel und
Stecker
|
Zubehör
- 5 m Anschlusskabel für die pH-Elektroden HI
1211T, HI 1110T und HI 1090T
- 10 m Anschlusskabel für die pH-Elektroden HI 1211T, HI
1110T und HI 1090T
(diese Anschlusskabel ersetzen die standardmäßig
mitgelieferten Kabel (z.B. 3 m) und sind eben-
falls mit BNC-Steckern versehen)
- Durchflusselektrodenhalter
aus PP, T-Bauform für den Einbau in Rohrleitungen, für pH-Elektroden
HI 1211T, HI 1110T, HI 1090T
|
|
|
|
|
Kontaktinformation:
PCE Instruments
Im Langel 26
D-59872 Meschede
Tel. 02903 / 97 699-33
Fax 02903 / 97 699-29
|
|
zurück
zur Übersicht der Einbaumessgeräte
|